×îÐÂÉϼÜ
¸ü¶à- ·ç»ª¸ß¿ÆMFJ10HRϵÁкϽðµç×裺¸ß¾«¶ÈµÍ×賡¾°µÄÈ«Äܽâ¾ö·½°¸
- STM32F407VGT6µÄÍêÃÀ¹ú²úÌæ´ú¡ª¡ªÖпÆÐ¾CKS32F407VGT6ÔÚÖÇÄܵçÁ¦Íø¹ØµÄÓ¦ÓÃ
- µç·ÑÚ»¤ÐÂÍ»ÆÆ£ºéijǵç×ÓBMG14DϵÁÐѹÃô¸´ºÏÆ÷¼þÈçºÎÊØ»¤ÄãµÄµç×ÓÉ豸
- °ÂÂ×µÂX0L¡¢X01ϵÁиßËÙ¸ôÀëÔ˷Źâñ´ò¿ªÐźŴ«ÊäÐÂÆðµã
- ¹ú¾ÞCA0612ϵÁÐÅÅÈÝÔÚÆû³µµç×ÓÖÐÓÐÄÄЩ¾ßÌåÓ¦Óã¿
- »ùÃÀͨÓÃÌùƬµçÈÝC1210C¡¢C1210V¡¢C1210W¡¢C1210XϵÁнéÉÜ
- ¿ÉÌæ´úSTM32F407ZGT6µÄ¹ú²úMCU CKS32F407ZGT6ÔÚÔ˶¯¿ØÖÆÆ÷ÖеÄÓ¦ÓÃ
- ¹ú¾ÞÆû³µ¼¶¸ßѹµç×èRV1206BR-07£¬ RV1206DR-07£¬ RV1206FR-07£¬ RV1206FR-13£¬ RV1206JR-07£¬ RV1206JR-13ϵÁÐÑ¡ÐÍ×ÊÁÏ
- Á¢Â¡VZT331MϵÁÐÌùƬÂÁµç½âµçÈÝ£º¸ßγ¤ÊÙÃüÓëµÍ×è¿¹ÌØÐԵĹ¤Òµ¼¶½â¾ö·½°¸
- Ìæ´úLMV321AS5XµÄ¹ú²úÔËËã·Å´óÆ÷£ºÓÑ˳¿Æ¼¼LV321GÑ¡ÐÍ×ÊÁÏ
³µ¹æÐźÅÁ´Ð¾Æ¬ETQ74LVCH8T245
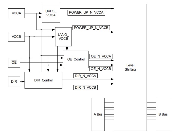
ETQ74LVCH8T245ÊÇÒ»¿î8λͬÏà×ÜÏßÊÕ·¢Æ÷£¬Ê¹ÓÃÁ½¸ö¶ÀÁ¢µÄ¿ÉÅäÖõçÔ´¹ì¡£¸ÃÆ÷¼þÉè¼ÆÓÃÓÚÁ½ÌõÊý¾Ý×ÜÏßÖ®¼äµÄÒ첽ͨÐÅ¡£ Æ«Ïò¿ØÖÆ£¨DIR£©ÊäÈëºÍÊä³öʹÄÜ£¨OE£©ÊäÈëµÄÂß¼µçƽ¼¤»îB¶Ë¿ÚÊä³öºÍA¶Ë¿ÚÊä³ö£¬»ò½«Á½¸öÊä³ö¶Ë¿ÚÖÃÓÚ¸ß×迹״̬¡£¿ØÖÆÒý½Å£¨DIRºÍOE£©ÒÔVCCAΪ»ù×¼¡£
ETQ74LVCH8T245½ÓÄÉСÐÍTSSOP24ºÍQFN24·â×°£¬ÊÂÇéÇé¿öζȹæÄ£Îª-40°CÖÁ+105°C
ÌØÐÔ
- ¿ØÖÆÊäÈ루DIRºÍOE£©VIHºÍVILµçƽÒÔVCCAΪ»ù×¼
- ×ÜÏß±£³ÖÊý¾ÝÊäÈëÃâ³ýÁËÔöÉèÍⲿÉÏÀºÍÏÂÀµç×èÆ÷µÄÐèÒª
- VCC¸ôÀë
- ÍêÈ«¿ÉÅäÖõÄË«¹ìÉè¼Æ
- IoffÖ§³Ö²¿ÃŶϵçģʽ²Ù×÷
- ÇÐºÏÆû³µAEC-Q1002¼¶³ß¶È
-
- --Çé¿öζȹæÄ££º-40°CÖÁ+105°C
- --¾²µç·ÀÕðÈËÌåÄ£ÐÍHBM6KV
- --ESDCDM1KV
- --MSL1
| оƬÐͺŠ| ·â×° | ³ß´ç |
|---|---|---|
| ETQ74LVCH8T245V | TSSOP24 | 4.4mm x7.8mm |
| ETQ74LVCH8T245Y | VQFN24 | 3.5mm x5.5mm |
Òý½ÅÅäÖÃ

·½¿òͼ

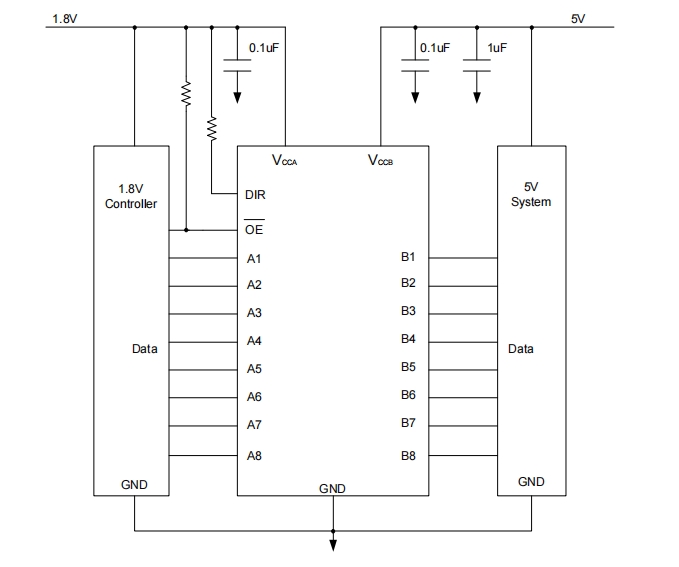
Ó¦Óõç·

















